Столешница для ПМВН-90 Атеси Регата02 1734х690 (дерево) купить, цена
Добавить в сравнение
Заказать звонок
г. Минск, ул. Казинца, 11А, офис А-501

Время работы:

Пн-Чт: с 09:00 до 17:30

Пт с 09:00 до 16:30

Сб-Вс: Выходной

Холодильное оборудование
Оборудование для ресторанов, кафе, баров, столовых
Заявка на ремонт
Добавить в сравнение
Холодильное оборудование
Оборудование для ресторанов, кафе, баров, столовых
Добавить в сравнение
Логин
Пароль
Войти как пользователь
Зарегистрироваться
После регистрации на сайте вам будет доступно отслеживание состояния заказов, личный кабинет и другие новые возможности

30 лет на рынке

Планировка магазина бесплатно

Оборудование на любой бюджет

Прямые поставки с заводов

Доставка в любую точку

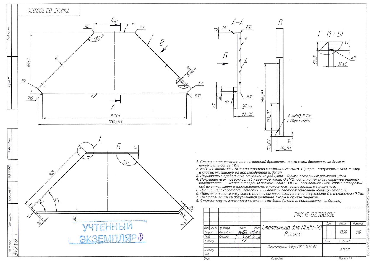
Столешница для ПМВН-90 Атеси Регата02 1734х690 (дерево)

Артикул: 316318
АТЕСИ
4 560 руб.
4 560 руб.
Купить в 1 клик
Добавить в сравнение
Добавить в сравнение

Столешница монтируется на поворотный модуль внутренний ПМВН-90-02 линии раздачи питания «Регата» и предназначена для его декоративного оформления.

ПРЕИМУЩЕСТВА:

  • Простота сборки.
  • Современный дизайн.
  • Выполнена из натуральной древесины.
  • Покрытие столешницы влагостойкое и безвредное при контакте с пищевыми продуктами.
  • Удобна в обслуживании и санитарно-гигиенической обработке.

Бренд
Масса, кг
18,56
Материал
массив дерева
Тип
столешница
Высота, мм
80
Длина, мм
1734
Ширина, мм
690
  • Габаритные размеры (Д х Ш х В) 1734х690х80 мм.
  • Масса 18,56 кг.

Столешница выполнена из натуральной древесины (бук). Поверхность столешницы покрыта экологически чистым маслом с твёрдым воском, что значительно упрощает санитарно-гигиеническую обработку изделия и при необходимости его реставрацию. Это покрытие влагостойкое и безвредное при контакте с пищевыми продуктами.

Характеристики упаковки:
  • Количество упаковок 1 шт.
  • Габариты в упаковке (ДхШхВ) 1743х708х97 мм.
  • Масса в упаковке 20,56 кг.
  • Тип упаковки - гофрокартонная коробка.
Столешница для ПМВН-90 Атеси Регата02 1734х690 (дерево)