Машины картофелеочистительные МОК-150М и МОК-300М предназначены для очистки картофеля и корнеплодов (свекла, морковь) от кожуры на предприятиях общественного питания. Выполнены в напольном варианте, с облицовкой из нержавеющей стали.
В состав машин входит мезгосборник!
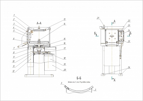
Устройство и работа машины картофелеочистительной
Машина состоит из корпуса с сеткой, воронки для загрузки продукта, станины и привода.

1 - Воронка; 2 - Корпус; 3 - Сетка; 4 - Уплотнение дверцы; 5 - Люк разгрузочный; 6 – Диск абразивный; 7 - Манжета; 8 - Патрубок; 9 – Вал; 10 - Ремень клиновой (Z(0)-670Вн ГОСТ 1284.1-89); 11 - Шкив ведомый; 12 - Шланг сливной; 13 – Крышка; 14 – Винт с левой резьбой; 15 - Подшипники (ГОСТ 8882-75 180205, 180206); 16 – Стакан с подшипниками; 17 – Шкив ведущий; 18 –Болт натяжной ремня; 19 - Электродвигатель; 20 - Кожух; 21 – Ниппель; 22 - Пульт управления; 23 - Кнопка «ПУСК»; 24 - Индикатор; 24 - Кнопка «СТОП»; 26- Станина.
Работа машины основана на снятии кожуры с картофеля и других корнеплодов путем механического воздействия очищающих рабочих органов.
Включить машину нажатием кнопки "ПУСК", установленной на пульте. Через отверстие в воронке пустить в корпус вода из расчета общего расхода не более одного литра воды на килограмм очищаемого продукта (давление воды 260 кПа).
Открыть крышку воронки и загрузить в корпус предварительно вымытый и очищенный от посторонних примесей продукт. Закрыть крышку. Производить очистку продукта и следить за нормальным выводом из машины воды с мезгой.
После окончания процесса очистки установить под лотком разгрузочного люка емкость для сбора очищенного продукта, перекрыть подачу воды в корпус, осторожно открыть дверцу разгрузочного люка и выгрузить очищенный продукт. Степень очистки определяется визуально.
Мезга удаляется через отверстие на дне машины по сливному шлангу.
После выгрузки всей порции продукта закрыть дверцу разгрузочного люка. Для очистки следующей порции продукта повторить операции. По окончании очистки выключить машину нажатием кнопки "СТОП", установленной на пульте, и прекратить подачу воды в корпус.
В конце работы отключить автоматический выключатель.
Очищенный продукт подвергается дочистке (удаление "глазков" и оставшейся кожуры) вручную.
Машина должна содержаться в чистоте и быть полностью укомплектована. Допускается использовать для очистки волосяные щетки и ветошь.
Транспортировка
Машина должна транспортироваться от места получения до места установки и монтажа в упаковке предприятия-изготовителя. После распаковки машины необходимо проверить комплектность поставки согласно п 1.3 Руководства по эксплуатации.
Монтаж
Место установки машины должно гарантировать сохранность и обеспечивать удобство работы при ее эксплуатации и техническом обслуживании, а также должно соответствовать санитарным нормам, требованиям пожарной безопасности, техники безопасности и монтажной схемы.
Машина устанавливается на фундамент высотой 100 мм над уровнем пола и крепится к нему четырьмя анкерными болтами М12.


1 - Машина МОК-150М или МОК-300М; 2 - Выключатель автоматический; 3 - Магистраль холодной воды; 4 - Резиновый шланг; 5 - Канализационный трап
Все работы по подсоединению машины к электрической сети и пуску в эксплуатацию должны быть выполнены представителем обслуживающей специализированной организации, в соответствии с действующими в Республике Беларусь: "Правилами устройства электроустановок", "Правилами технической эксплуатации электроустановок потребителей", "Межотраслевыми правилами по охране труда", либо в соответствии с аналогичными действующими нормативными документами страны-импортера.
Гарантийные обязательства
Гарантийный срок - 24 месяца, исчисляется со дня ввода машины в эксплуатацию, но не позднее 6 месяцев со дня приобретения машины.
Предприятие-изготовитель в период гарантийного срока устраняет отказы и неисправности в работе оборудования только при условии:
- Соблюдения всех требований "Руководства по эксплуатации" машины.
- Монтаж и ввод в эксплуатацию произведен специалистами сервисного центра, либо специалистами другой организации с письменного разрешения предприятия-изготовителя.
- Передачи (пересылки) предприятию-изготовителю копии оформленного в полном объеме "Акта ввода оборудования в эксплуатацию" в течение 10 дней со дня ввода машины в эксплуатацию для постановки оборудования на гарантийный учет.
- Проведение ежемесячного технического обслуживания согласно "Руководства по эксплуатации".
- Передачи (пересылки) предприятию-изготовителю оформленного в полном объеме "Акта-рекламации".
Работы по ежемесячному техническому обслуживанию, в соответствии с требованиями "Руководства по эксплуатации", не являются работами по гарантии и производятся за счет потребителя специализированными организациями по предварительно заключенному договору между ними.
При нарушении хотя бы одного из вышеуказанных пунктов предприятие-изготовитель снимает с себя гарантийные обязательства.
Примечание: оформленные "Акт ввода оборудования в эксплуатацию" и "Акт-рекламация" должны быть заверены печатью потребителя и предприятия, производящего ввод в эксплуатацию или ремонт и техническое обслуживание.
































